Zum Inhalt springen (Enter drücken) A A+ A++ B C D E A B C D E F G
Goobay

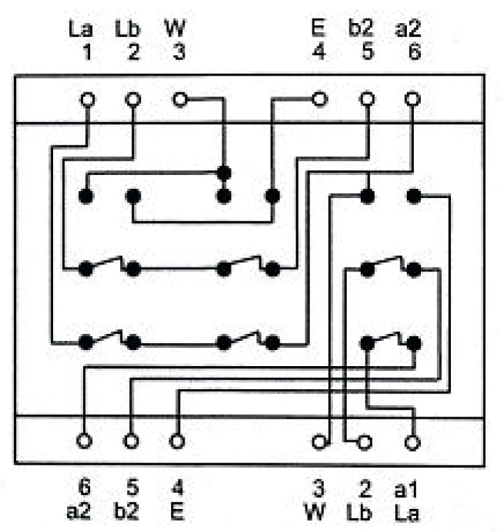
3x TAE-NFF Unterputzdose

Schraubanschluss

  • für zwei Telefone und eine Nebenstelle

Technische Daten

Allgemein

Verpackungstyp Bulk
Verbrauchseinheit 1 Stk. im Karton
Farbe Beige
Kennzeichnungen CE, WEEE

Anschlüsse

Anschluss, Typ 3x TAE N/F/F- Buchse

Downloads

Produktdatenblatt
8,95 € UVP

VPE:

1 / 10 / 80 / 160

Verpackungstyp

Farbversion

Artikel: 50266

EAN: 4040849502668